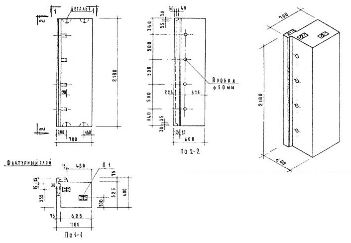
НБУ-6.22.6-1
Характеристики изделия:
| Параметр | Значение |
|---|---|
| Длина | 700 мм |
| Ширина | 600 мм |
| Высота | 2180 мм |
| Масса | 1475 кг |
| Нормативный документ | Серия 1.133-1 |
Цена:
Рассчитать стоимостьСтеновые легкобетонные блоки толщиной 60 см по Серии 1.133-1.
НБУ-6.22.6-1 Простеночный блок угловой.