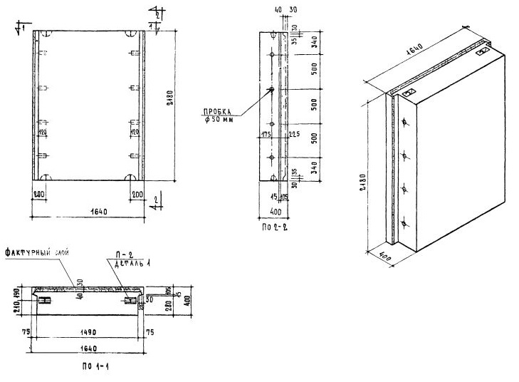
НБ-15.22.4-1

Чертеж изделия:
Чертеж НБ-15.22.4-1
Характеристики изделия:
ПараметрЗначение
Длина1640 мм
Ширина400 мм
Высота2180 мм
Масса2610 кг
Нормативный документСерия 1.133-1

Стеновые легкобетонные блоки толщиной 40 см по Серии 1.133-1.

НБ-15.22.4-1  Простеночный блок.